您的位置:主页 > 民用级 > 角度位移传感器 >
产品名称:WDD22D
资料下载:
产品特质:

1.无限小的分辨率
2.线性度: ± 1 % 到 ± 0.15 %
3.温度范围:-50°C to +100°C
4.超长寿命: 3000万次
5.输出平滑性: < 0.1 %

性能需求:

1.阻值范围:1K. 2K 5K 10K (可定制) 线性精度:±0.5%
2.电气转角:340° 额定功率:0.7W/70°C
3.结缘电阻:>500DC.500V/min 温度范围:-40°-+125°
4.回转寿命:1000万 外壳材质:铝氧化处理(宝蓝色)
5.机械转角:360° 温度系数:±500PPM/°C
6.耐压强度:500V.A.C/min 启动力矩:<0.098N(M)
7.应用范围:阀门 操纵杆 纺织机等角度位置的测控

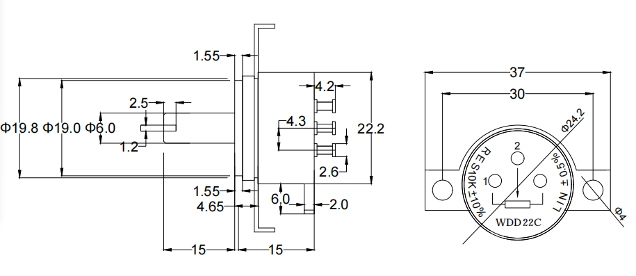
产品图纸:



 

在线询价

用手机扫描二维码关闭